How To Make A Sound Card : Sound Card Oscilloscope Build Electronic Circuits : Don't force the card into the slot, and ensure that the ports on the back line up with the with the bay opening.
Dapatkan link
Facebook
X
Pinterest
Email
Aplikasi Lainnya
How To Make A Sound Card : Sound Card Oscilloscope Build Electronic Circuits : Don't force the card into the slot, and ensure that the ports on the back line up with the with the bay opening.. After this command finishes, a new virtual sound card will be generated on your system. The steps below outline how to build such a probe. Don't force the card into the slot, and ensure that the ports on the back line up with the with the bay opening. This sound card can be powered from usb port and has one mono input and one stereo output. This is a how to video on how to make a dirt bike sound like a motorcycle using a sports card.
This is a how to video on how to make a dirt bike sound like a motorcycle using a sports card. But dedicated sound cards still exist. Remove the tab from under the slide tongue. My new sound card needs separate power to work, using a floppy connector. The steps below outline how to build such a probe.
Do I Need A Sound Card Velocity Micro Blog from www.velocitymicro.com Then, you're ready to move on to using the sound card to measure external signals. Hi guys, my sound card is an asus strix soar, and i like it, but when i'm on my speakers the sound is noticeably quieter than on my headphones. If you use great ic pcm2702 from burr brown / texas instruments you can create a fully functional usb sound card. Your sound card is in the list that appears. Make a usb sound card is no more a complex issue. Most sound cards have a test utility that you should run to verify that all aspects of the audio hardware and drivers are operating properly. Click the arrow next to sound, video and game controllers. Select the correct sound card device driver if there are a few options listed.
Reverse engineering a typical sound card's performance.
If you're not a gamer, this may not make a lot of sense, but for gamers, this is a huge deal. When your computer plays audio, it sends a signal to the sound card via the pcie interface. Remove the tab from under the slide tongue. The limitations of using a sound card scope are due to the performance of your sound card. Plug audio adapter into your device and sound module. Hi guys, my sound card is an asus strix soar, and i like it, but when i'm on my speakers the sound is noticeably quieter than on my headphones. How to open the device manager in windows 10. My new sound card needs separate power to work, using a floppy connector. This is a how to video on how to make a dirt bike sound like a motorcycle using a sports card. You don't need to install any driver for windows or linux, because they are already inside. 4.5 out of 5 stars. Make a sound card is no more a complex issue. To remove all of the virtual cards, run the command:
Move the sound card to another slot inside your computer's motherboard if you recently installed a new sound card. Make a sound card is no more a complex issue. This is a how to video on how to make a dirt bike sound like a motorcycle using a sports card. Hi guys, my sound card is an asus strix soar, and i like it, but when i'm on my speakers the sound is noticeably quieter than on my headphones. Reverse engineering a typical sound card's performance.
Razer Barracuda Ac 1 Sound Card Techgage from techgage.com Some cards use a coder/decoder chip, called a codec, which performs both the dac and the adc functions. This is a how to video on how to make a dirt bike sound like a motorcycle using a sports card. For most computers, this will be realtek (r) audio. How to make a diy usb sound card with an old webcam. Open your sound card driver properties. Make a usb sound card is no more a complex issue. But dedicated sound cards still exist. You don't need to install any driver for windows or linux, because they are already inside.
Remove the tab from under the slide tongue.
If you're not a gamer, this may not make a lot of sense, but for gamers, this is a huge deal. Building your own scope probes accomplishes: Hi guys, my sound card is an asus strix soar, and i like it, but when i'm on my speakers the sound is noticeably quieter than on my headphones. If you use great ic pcm2702 from burr brown / texas instruments you can create a fully functional usb sound card. The steps below outline how to build such a probe. It's a great option if you want a very. The teacher says a sound and the first player to 'grab' it keeps the card. This sound card can be powered from usb port and has one mono input and one stereo output. Some cards use a coder/decoder chip, called a codec, which performs both the dac and the adc functions. But dedicated sound cards still exist. If that is the case for yours, make sure you connect said cable from your power supply before going forward. When your computer plays audio, it sends a signal to the sound card via the pcie interface. That signal passes through the dac before being pumped out of the output connection.
You don't need to install any driver for windows or linux, because they are already inside. Remove the corresponding dust guard panel from the back if you are installing the new card. Building your own scope probes accomplishes: Remove the tab from under the slide tongue. With this method, you can generate multiple virtual sound cards on one computer.
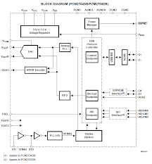
Make A Sound Card With Pcm2704 from electronics-diy.com Modern pcs, however, have good audio hardware built into their motherboards. If that is the case for yours, make sure you connect said cable from your power supply before going forward. Installing the sound module it is now time to install the magical component that will produce sound within your musical greeting card. Reverse engineering a typical sound card's performance. For years, getting a dedicated sound card for your pc was a given because it was the only way to get quality sound. Remove the corresponding dust guard panel from the back if you are installing the new card. Some cards use a coder/decoder chip, called a codec, which performs both the dac and the adc functions. This is a how to video on how to make a dirt bike sound like a motorcycle using a sports card.
Remove the tab from under the slide tongue.
Remove the tab from under the slide tongue. Try updating audio card drivers and the bios for your computer if no sound card is. In the window that appears, select device manager. This can help make sure the sound card is properly seated inside your computer in the event you physically installed the hardware incorrectly. Press the windows key + pause key. Proceed to follow the crease, folding over the crease lines inwards to create your card. Let's talk about how to use the usb sound card when the time the usb sound card didn't work properly.like to have youtube partnership? The limitations of using a sound card scope are due to the performance of your sound card. If you use great ic pcm2702 from burr brown / texas instruments you can create a fully functional usb sound card. You donâ't need to install any driver for windows xp and vista, because they are already inside. Plug audio adapter into your device and sound module. Your sound card is in the list that appears. This is a how to video on how to make a dirt bike sound like a motorcycle using a sports card.
How To Know If Baby Has Brain Tumor / Pin By Rylee Gimenez 2021 On Pediatric Oncology Brain Tumor Tumor Pediatrics - What are the signs of brain tumor in children? . When your child has brain tumor, your child will show the following symptoms and signs: There might be signs specific to tumour location. A brain tumor expert shares seven brain tumor symptoms to watch out for and advises on the best type of place to seek brain tumor treatment. In children, tumors usually start in a part of the brain that controls movement and coordination. Signs and symptoms will depend on the kind of tumor your child has, and where it is in the brain. These signs may be subtle or severe. Brain tumors can cause seizures, but not just the types that cause you to lose consciousness and convulse. Small tasks can make you feel worn out; Changes in memory or thinking Benign brain tumors are usually defined as a group of similar cells that do not follow normal cell division and growth pattern...
How To Make A Dope Card / DIY Envelopes: A Charming Way to Send Customized Snail Mail / Instadp is a free service that allows you to see anyone's instagram profile picture in high quality. . Creating an accurate dope card to give you the drop and wind drift of your bullet at extended ranges isn't difficult. Over 265 product cards, 50 buyer cards, 30 dope cards and the dopest 60 second hourglass. Back in 2007 after being up for 3 days me and my girlfriend at the time ended up getting raid dope. Is your new product dope or nope? Dope savings tips and tricks. You're now on track to discover how to dope a scope by yourself. Play all 3 game modes like classic. I'm showing you how to make a big room house track by bootlegging cardi b and megan thee stallion's 'wap'! Creating dope instagram story templates free template! Get a chance to win and apply today! Rifl...
Komentar
Posting Komentar